网站首页
关于森林森
产品中心
解决方案
应用案例
新闻中心
联系我们
咨询服务热线
0755-83994556
热搜关键词:
元器件的选型
替代料推荐
Datasheet
物料配套
产品详情
product details
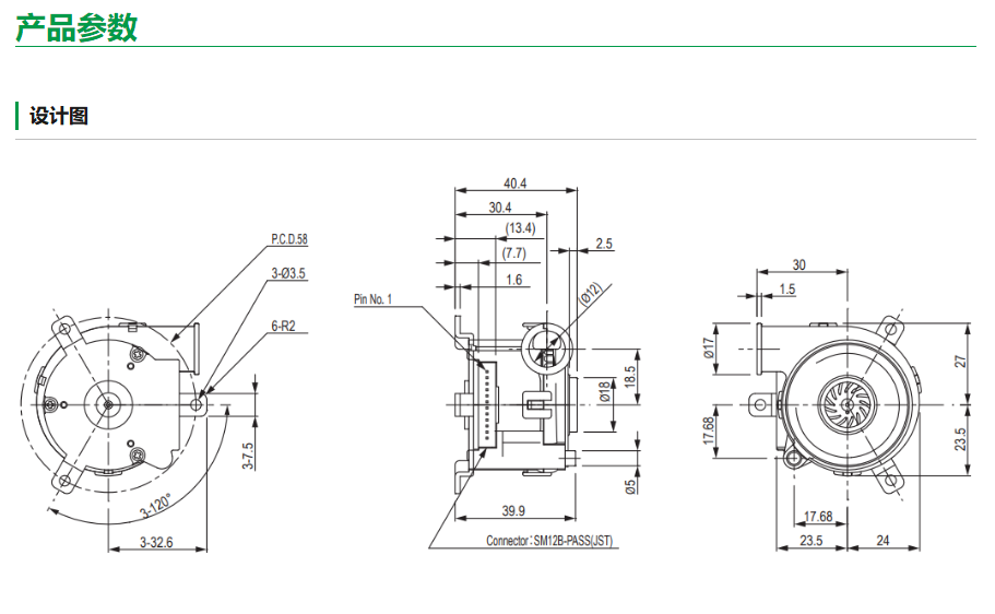
微型鼓风机 TF037C-2100-F
点击:40次
发布日期::2025-4-3
作者:森林森机电
上一篇:微型鼓风机 TF029B-1000-F
下一篇:滑动型DIP开关(CES)
返回列表
行业应用
更多 +
尼得散热解决方案
尼得散热解决方案
尼得散热解决方案
在线留言
*将严格保护您的信息请放心填写
copyright © 深圳市森林森机电设备有限公司
商诺时代